Jump to content

Recommended Posts

Posted

გამარჯობა,

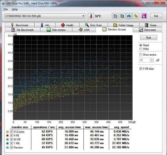
კომპიუტერი ითიშება უკვე ხშირხშირად, ვიდეო კარტა აქვს დაზიანებული არტეფაქტები ამომიყარა ადრე(დაახლოებით 2 წელია) და გავაცხელე, მის მერე რაიმე დიდი დატვირთვით ვიდეო ბარათს აღარ ვამუშავებ. ბლუსქრინებს მიგდებს ხშირად და დისკ ჩექინგს მიწერს, დღეს საერთოდ აღარ ცნობდა ვინჩესტერს და ბუთ დევაიზში ოპტიკურ დისკს მიგდებდა და შესაბამისად არ იტვირთებოდა ვინდოუსი (7). ვინდოუსი დაახლოებით 5 წელი არ გადამიყენებია ისე. მოკლედ ვინჩესტერის პრობლემა მეგონა მაგრამ დღეს ჰდ ტუნით შევამოწმე და ეს შედეგები დადო და მემგონი კარგი შედეგია რას ფიქრობთ? ისე მყარი დისკი 9 წელზე მეტისაა ასაკით.

 

1.jpg

2.jpg

3.jpg

4.jpg

5.png

Posted

სატა და კვების კაბელი შეუცვალე და ნახე რას იზავს
დისკის ბრალი რომ იყოს რამე შეცდომას მაინც დააფიქსირებდა პროგრამა, დისკ ჩექინგს რომ წერს ეგ ხშირი გათიშვების გამოც შეიძლება იყოს და არა მაინცდამაინც დისკის პრობლემით გამოწვეული

ოპერები შეამოწმე + სისტემაც გამორიცხე, არაა გამორიცხული რომელიმე დრაივერი ახურებდეს და ეგ იწვევდეს ლურჯ ეკრანს

  • Upvote 1
Posted

ე.ი. ჰდდ ნორმალურია, ოპერები როგორ შევამოწმო? კიდევ ერთი რაღაცაა, ახალი როცა იყო კომპიუტერი თავიდანვე რაღაც თავისებური პრობლემები ქონდა, უზბ შესაერთებლები არ მუშაობდა მთლად გამართულად(ნუ რაიმე კრიტიკული პრობლემა არ შეუქმნია მაგრამ მაინც...). კიდევ, რამდენიმე დღის წინ კომპიუტერი ირთვებოდა მაგრამ მონიტორი ვერ პოულობდა გამოსახულების მიღების წყაროს და ვიდეო კარტის მეორე შეააერთებელზე გადავაერთე და მის მერე მუშაობს, ნუ ეს მაინც რადგან ვიდეო კარატაა დაზიანებული იმის ბრალი მგონია. ასეთი ზოგადი პრობლემების შემოწმება ხდება საერთოდ რაიმე კონკრეტული პროგრამით თუ ხელსაწყოთი?

Posted

ხო დავიწყებ ფაილების გადალაგებას ჯერ დ 

ისე ერთი რამე დამავიწყდა , დღეს არაფრით არ აღიქვამდა ჰდდს და ბუთ დევაიზს მთხოვდა ჩატვირთბისთვის და გამოვაერთე და თავიდან შეავერთე ჰდდ, შემდეგ რომ ჩავრთე კომპი ჩაირთო ნორმალურად. 

Join the conversation

You can post now and register later. If you have an account, sign in now to post with your account.

Guest
Reply to this topic...

×   Pasted as rich text.   Paste as plain text instead

  Only 75 emoji are allowed.

×   Your link has been automatically embedded.   Display as a link instead

×   Your previous content has been restored.   Clear editor

×   You cannot paste images directly. Upload or insert images from URL.

×
×
  • Create New...

Important Information

We have placed cookies on your device to help make this website better. You can adjust your cookie settings, otherwise we'll assume you're okay to continue.